Skills¶
Autodesk Inventor¶
Modelling¶
In this project we used multiple advanced tools in the inventor to create the complex geometry of our model:
- Loft
- Custom work plane
- Split
One of our prototype containers:

Our final container:

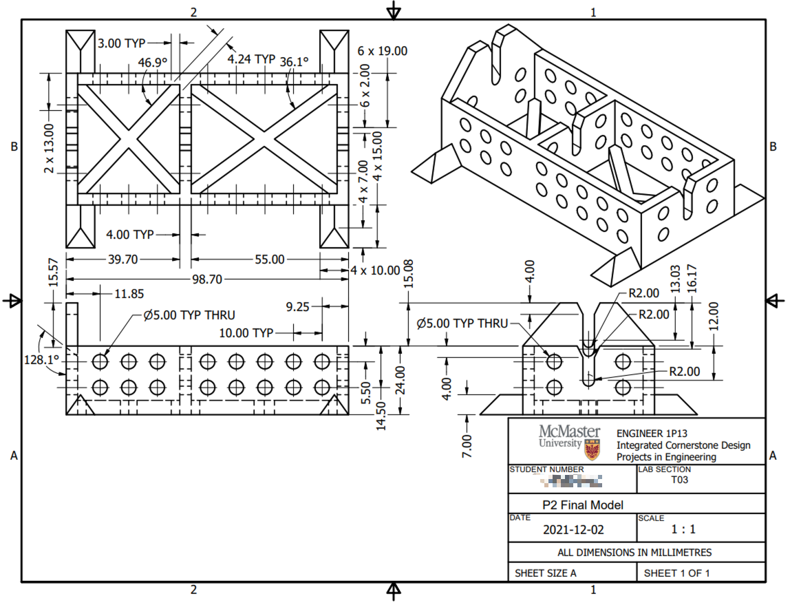
Engineering Drawing¶

Assembling¶
Assembly allows us to show the final result and check if there's any interference between the container and the surgical tool.

PrusaSlicer¶
We used prusa slicer to turn our solid model to instructions for the 3D printer to print our container.


Last update:
December 9, 2021
Created: December 9, 2021
Created: December 9, 2021